Led Matrix Circuit Diagram

Claudine Wiegand

posts

Led Matrix Circuit Diagram

8x8 led matrix interfacing with avr microcontroller (atmega8) Matrix led arduino 8x8 circuit diagram display uno projects circuitdigest using code tutorial simple leds installing futures called below special Led matrix schematic projects led matrix circuit diagram

Viele Auf und ab gehen Ansatz arduino and max7219 led matrix clock and

Interfacing 8x8 led matrix with arduino circuit diagram code Testing with 8x8 dot matrix code 8×8 led dot matrix display with arduino – microcontroller based projects

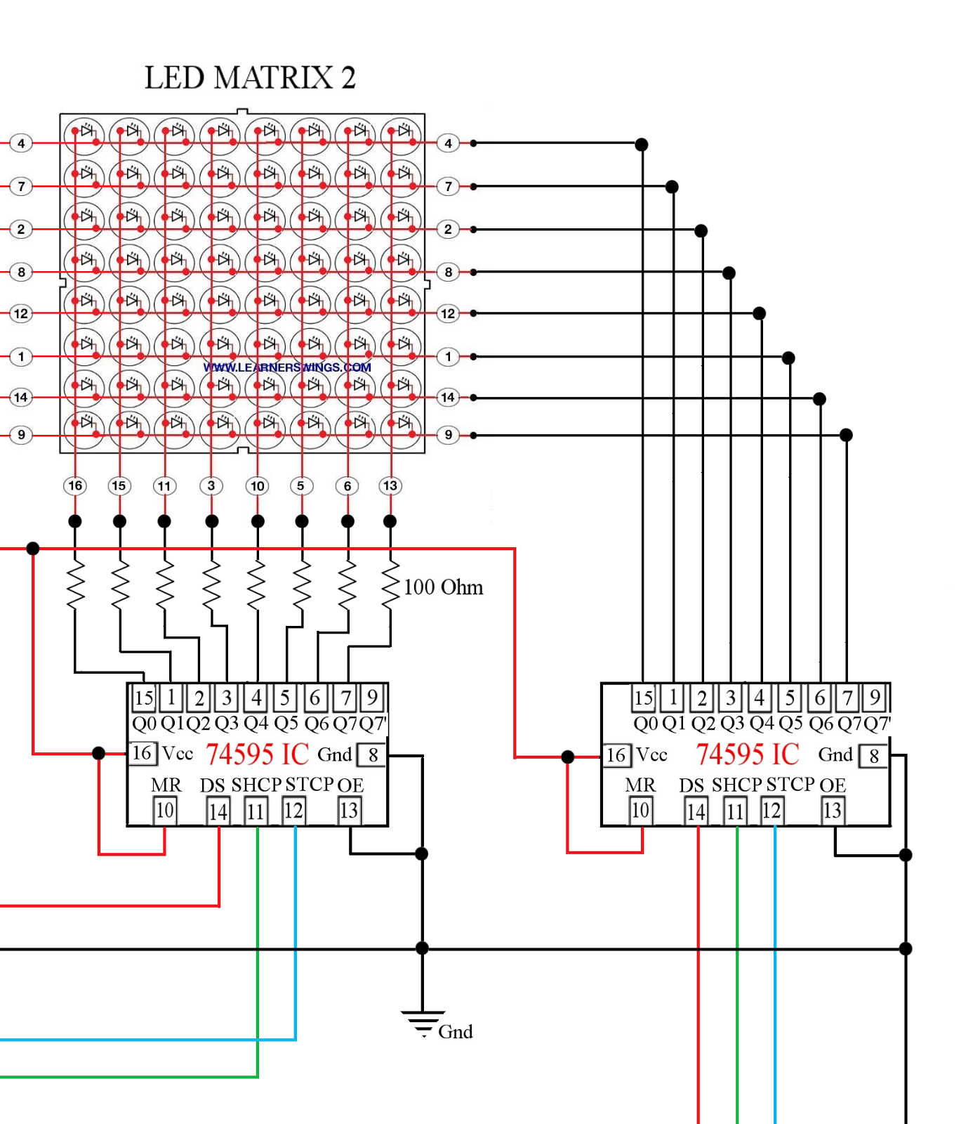
Led matrix and arduino : basbrun.com

Led-matrix-16x16Circuit to connect current limiting resistors to led matrix (page 1 Interfacing 8x8 led matrix with arduino- circuit diagramControl an 8x8 matrix of leds..

Led matrix shift wiring register registers schematic confusing looks around littleIndex of /projects/led_matrix/ An incredible led matrix simulation using the ultimate mosaik coCircuit-diagram-8x8-led-matrix-interface-with-arduino.

8×8 LED Matrix Tutorial + Project Code and Schematic - Arduino Project Hub
8×8 LED Matrix Tutorial + Project Code and Schematic - Arduino Project Hub

Matrix led current circuit connect resistors limiting diagram display electronics cathode anode

Interfacing max7219 led dot matrix display with arduinoArduino led do it yourself electronics project Shift registerHow to setup an led matrix on the arduino (2022).

Viele auf und ab gehen ansatz arduino and max7219 led matrix clock andMatrix led 10x10 8x8 16x16 driving diagram schematic arduino avr leds datasheet wiring example code logic rows columns matrices multiplexing Matrix led display 8x8 pcbMatrix dot display led diagram circuit arduino engineersgarage using.

8×8 LED Dot Matrix Display with Arduino – Microcontroller Based Projects
8×8 LED Dot Matrix Display with Arduino – Microcontroller Based Projects

48x7 led matrix & circuit diagram + nuke code

Matrix 8x8 max7219 arduino scrolling matriz module pins leds vcc gndMatrix led 8x8 atmega8 circuit microcontroller avr display diagram interfacing shown below figure Max7219 dot matrix led display with arduino tutorialArduino 8x8 interfacing.

8×8 led matrix tutorial + project code and schematicLed matrix circuit diagram Display matrix led dot 8x8 diagram module circuit max7219 internal ledsLed matrix – tom archer.

How to Setup an LED Matrix on the Arduino (2022)
How to Setup an LED Matrix on the Arduino (2022)

Red-green-blue 8x8 cc led matrix display datasheet

Arduino dot 8x8 picmicrolabLed matrix arduino circuit Driving a 8x8 rgb led matrix with arduinoArduino 8x8 led matrix project with circuit diagram & code.

8 x 8 led matrix display v1.0Scrolling display circuit diagram Led matrix circuit diagramLed matrix 8x8 display circuit diagram green red blue cc common cathode technical data dimensions futurlec.

Make your own 8*8 LED MATRIX - Hackster.io
Make your own 8*8 LED MATRIX - Hackster.io

Led matrix

Led matrix circuit diagram horizontally use gr next circuits wiring build display schematic full projects savedLed 8x8 outputs Build a led matrix horizontally circuit diagramMake your own 8*8 led matrix.

Trouble with max7219 8x8 led matrixInterfacing led dot matrix with 8051 microcontroller- (part 5/45) 8x8 arduino pinout baglanti interfacing circuitstodayLed rgb matrix schematic shift register suggestion 9x9 electrical.

Interfacing LED Dot Matrix with 8051 Microcontroller- (Part 5/45)
Interfacing LED Dot Matrix with 8051 Microcontroller- (Part 5/45)

Arduino max7219 8x8 fritzing driving

Matrix led 16x16 rgb schematic circuit multiplexing works schematics .

.

shift register - 9X9 RGB Led matrix, design suggestion - Electrical
shift register - 9X9 RGB Led matrix, design suggestion - Electrical
Interfacing MAX7219 LED Dot Matrix Display with Arduino
Interfacing MAX7219 LED Dot Matrix Display with Arduino
Circuit to Connect Current Limiting Resistors to LED Matrix (Page 1
Circuit to Connect Current Limiting Resistors to LED Matrix (Page 1
Index of /projects/led_matrix/
Index of /projects/led_matrix/
LED-Matrix-16x16 | RGB LED Matrix 16x16
LED-Matrix-16x16 | RGB LED Matrix 16x16
Viele Auf und ab gehen Ansatz arduino and max7219 led matrix clock and
Viele Auf und ab gehen Ansatz arduino and max7219 led matrix clock and
Led Matrix Circuit Diagram
Led Matrix Circuit Diagram

Also Read

Kiiroo Onyx 2 Manual

Kiiroo Onyx 2 Manual

Claudine Wiegand

Kiiroo onyx 2 review: most advanced sex-tech for men?. Kiiroo onyx 2 review: is this innovative toy worth it?. The compl ...

Led Sequencer Circuit Diagram

Led Sequencer Circuit Diagram

Claudine Wiegand

Circuit matrix light using sequencer led circuits control power seekic motor gr next ic diagram schematics full 10x10 se ...

Leakseeker 89 Circuit Diagram

Leakseeker 89 Circuit Diagram

Claudine Wiegand

Eds-89 leakseeker complete kit not assembled. experienced assembler. Implementation fpga benchmark iscas circuits itc. P ...

2016 Kia Soul Manual Transmission

2016 Kia Soul Manual Transmission

Claudine Wiegand

2016 kia soul manual. La kia soul transmission automatic replacement. 2016 kia soul price, value, ratings & reviews. Kia ...

Kelvinator Fridge Parts Online

Kelvinator Fridge Parts Online

Claudine Wiegand

Vintage kelvinator refrigerator parts. Kelvinator refrigerator. Kelvinator top parts refrigerator freezer mount ereplace ...